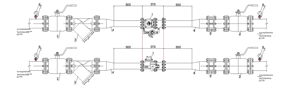
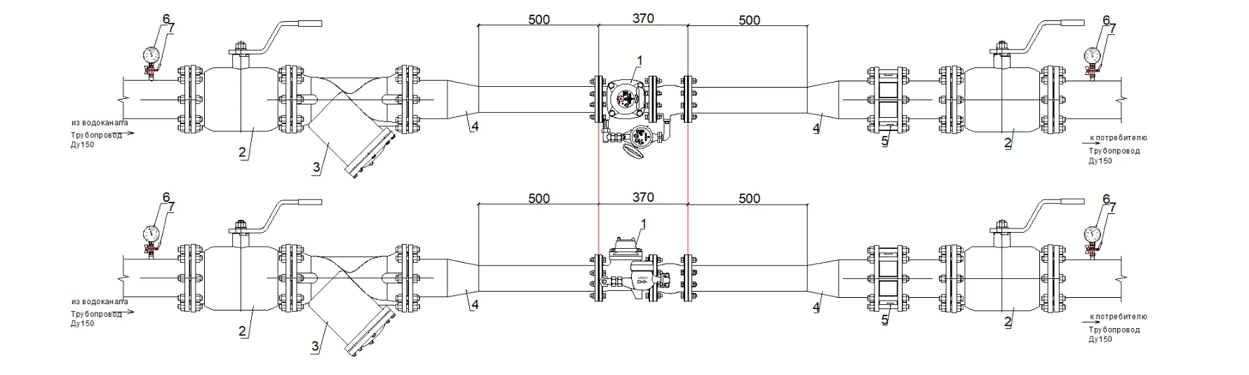
Типовые схемы и паспорта приборов учета
0
0
0
Корзина
WhatsApp