Смотреть проект
Проектировщикам
Все проекты
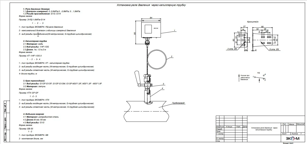
Паспорта приборов
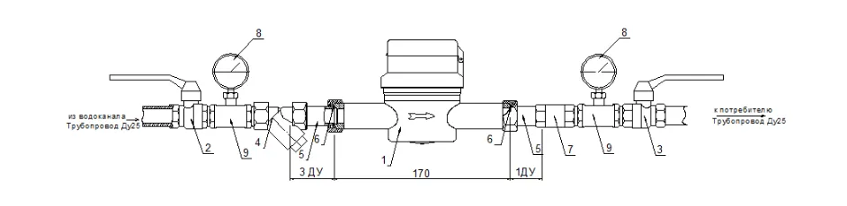
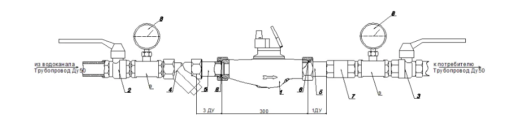
Типовые схемы для манометров
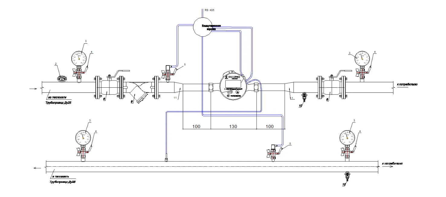
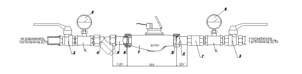
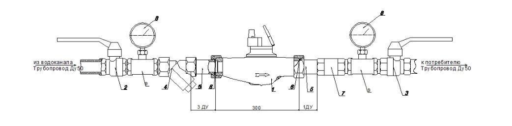
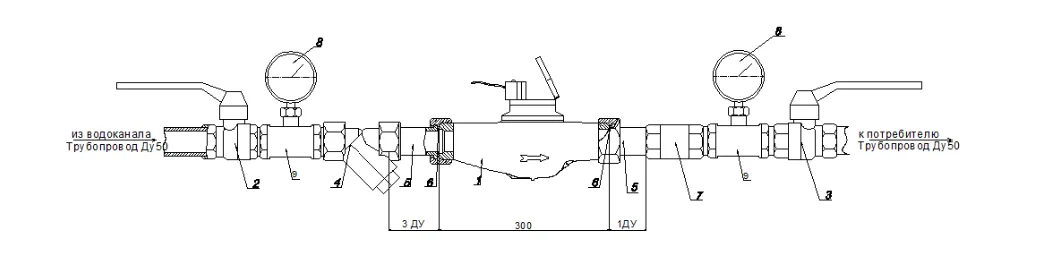
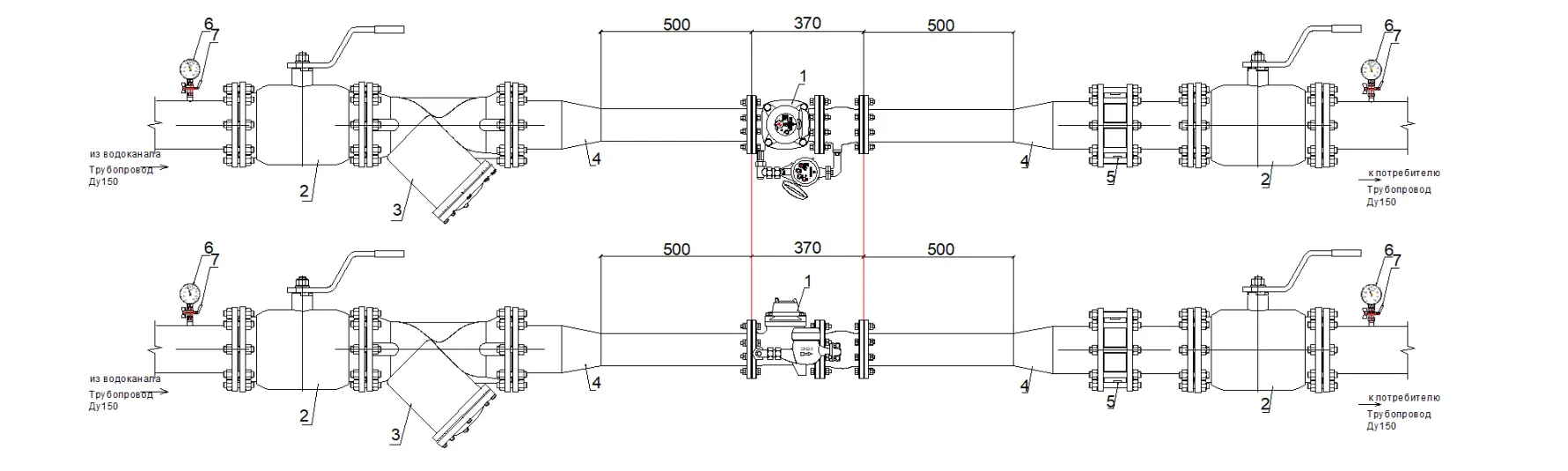
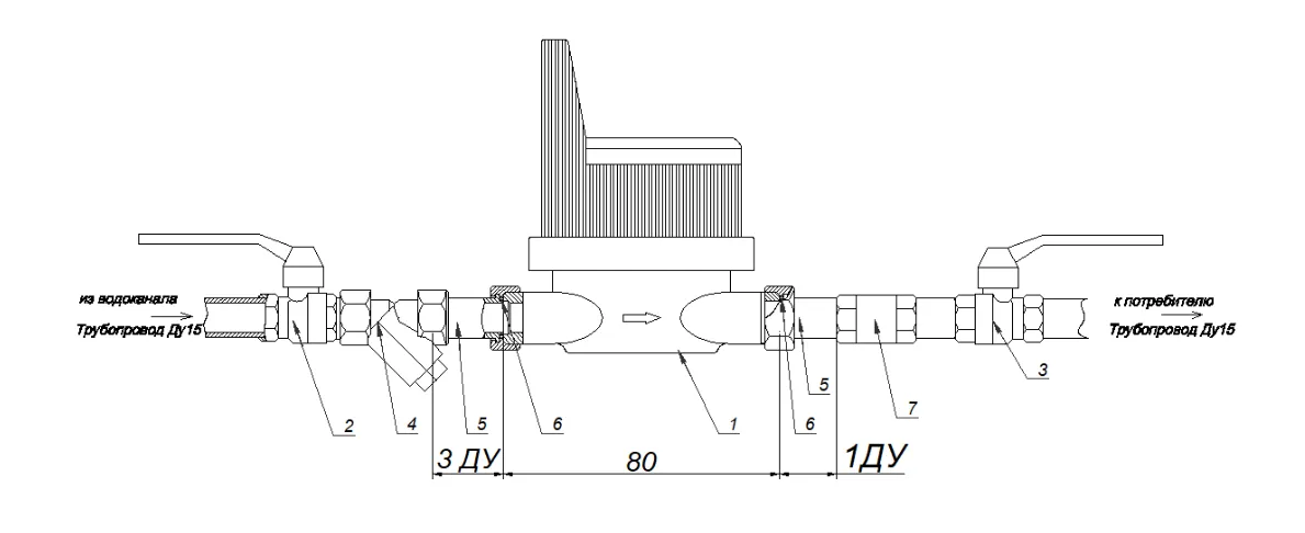
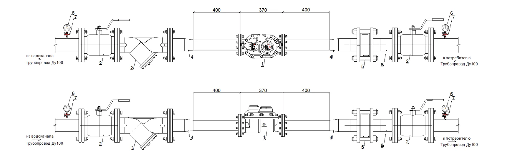
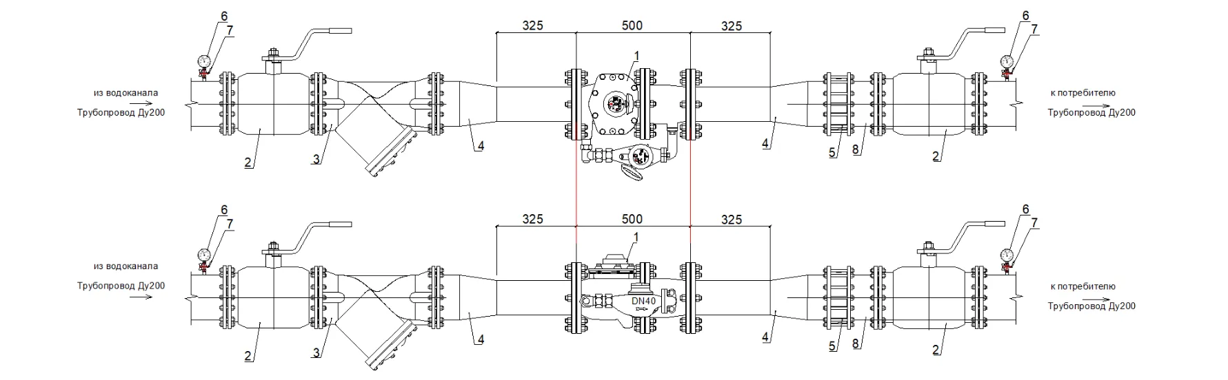
Типовые схемы для комбинированных счетчиков воды
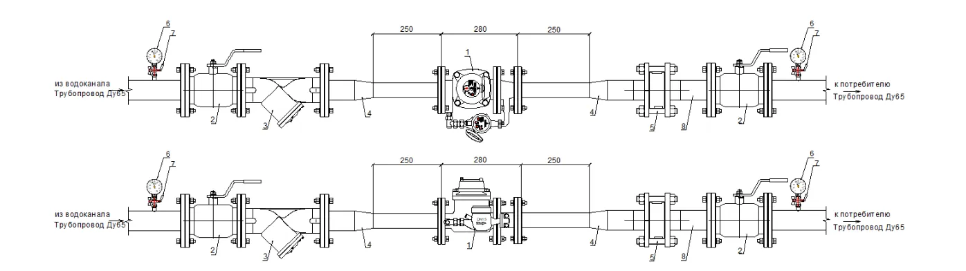
Типовые схемы счетчиков Decast
